正规beat365体育官网-通用免费下载
正规beat365体育官网
All Categories
首页
产品中心
亿维 UniMAT
西门子SIEMENS
华茂欧特 WELLAUTO
变频器和伺服
特约产品
信达自主产品
解决方案
关于我们
新闻资讯
资料下载
联系我们
首页
产品中心
亿维 UniMAT
UN系列PLC
UH触摸屏系列
物联网产品
西门子SIEMENS
PLC产品
低压产品
变频器产品
触摸屏产品
华茂欧特 WELLAUTO
卡片式分布式IO产品800H系列
立式分布式IO产品500E和500S系列
防水型分布式IO产品IP67系列
变频器和伺服
海利普变频器
四方变频器
麦格米特变频器
英威腾电液伺服系统
伟创伺服系统
特约产品
威纶触摸屏
昆仑触摸屏
信达自主产品
开关量放大板
比例放大板
可控硅放大板
继电器放大板
10V电源板和脉冲转换板
解决方案
关于我们
新闻资讯
资料下载
联系我们
CN
CN
EN
产品中心
首页
>>
产品中心
>>
变频器和伺服
>>
英威腾电液伺服系统
所有产品
亿维 UniMAT
UN系列PLC
UH触摸屏系列
物联网产品
西门子SIEMENS
PLC产品
低压产品
变频器产品
触摸屏产品
华茂欧特 WELLAUTO
卡片式分布式IO产品800H系列
立式分布式IO产品500E和500S系列
防水型分布式IO产品IP67系列
变频器和伺服
海利普变频器
四方变频器
麦格米特变频器
英威腾电液伺服系统
伟创伺服系统
特约产品
威纶触摸屏
昆仑触摸屏
信达自主产品
开关量放大板
比例放大板
可控硅放大板
继电器放大板
10V电源板和脉冲转换板
解决方案
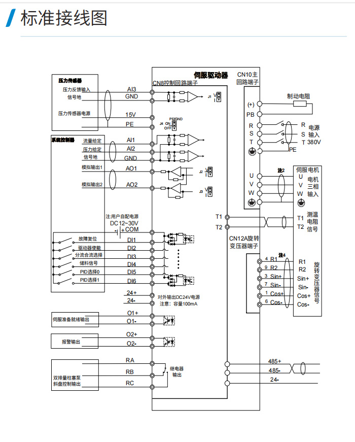
英威腾 MH860A 电液伺服
在线咨询
产品详情
相关产品
推荐产品
获取免费报价
我们的代表将很快与您联系。
联系方式
姓名
公司名称
信息内容
0/1000
Submit
联系我们
请留下您的联系方式
Copyright © 2025 正规beat365体育官网 All Rights Reserved.
Home
Product Center
E-mail
Phone